FLASH

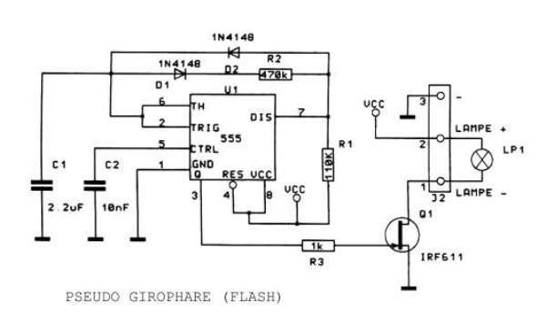
Ce montage comme son nom l'indique permet de simuler un girophare, par le clignotement bref d'une ampoule d'une vingtaine de watts. Les valeurs de R1 et R2 donnent en sortie une fréquence de 1.1 Hz avec un temps d'allumage de 0,17s. Pour R1=330 et R2=1M la fréquence passe à 0,5Hz et le temps d'allumage 0,5s, pour changer le temps d'allumage jouer sur la valeur de R1. ATTENTION NE PAS OUBLIER UN RADIATEUR POUR Q1 QUI SERA PRIS EN FONCTION DU TEMPS D'ALLUMAGE ET DE LA PUISSANCE DE L'AMPOULE (voir première photo : plaque d'essai).

plaque d'essai

implantation et circuit imprimé

schéma

fichier ddf ultimate(clique droit-> enregistrer sous)

Liste des composants
R1=100K
R2=470K
R3=1K
D1,D2=1N4148
C1=2.2uF
C2=10nF
U1=NE555
Q1=IRF611
LP1=LAMPE DE 20 W
J2=BORNIER 3 BORNES